上海津机电磁离合器销售有限公司
  • 首页
  • |
  • 公司简介
  • |
  • 核心产品
  • |
  • 新闻资讯
  • |
  • 联系我们

热门搜索

轴承

齿轮

  • 牙嵌电磁离合器
    • DLY0系列牙嵌式电磁离合器
    • DLY2系列牙嵌式电磁离合器
    • DLY3系列牙嵌式电磁离合器
    • DLY5系列牙嵌式电磁离合器
    • DLYH失电牙嵌电磁离合器
  • 多片电磁离合器
    • DLM0系列湿式多片电磁离合器
    • DLM3系列湿式多片电磁离合器
    • DLM5系列湿式多片电磁离合器
    • DLM9系列无滑环湿式多片电磁离合器
    • DLM10系列干式/湿式多片电磁离合器
    • DLK1系列干式多片快速电磁离合器
  • 叉车制动器
  • 单片电磁离合器
  • 失电制动器
  • 零件
  • 1/5
上一个
下一个

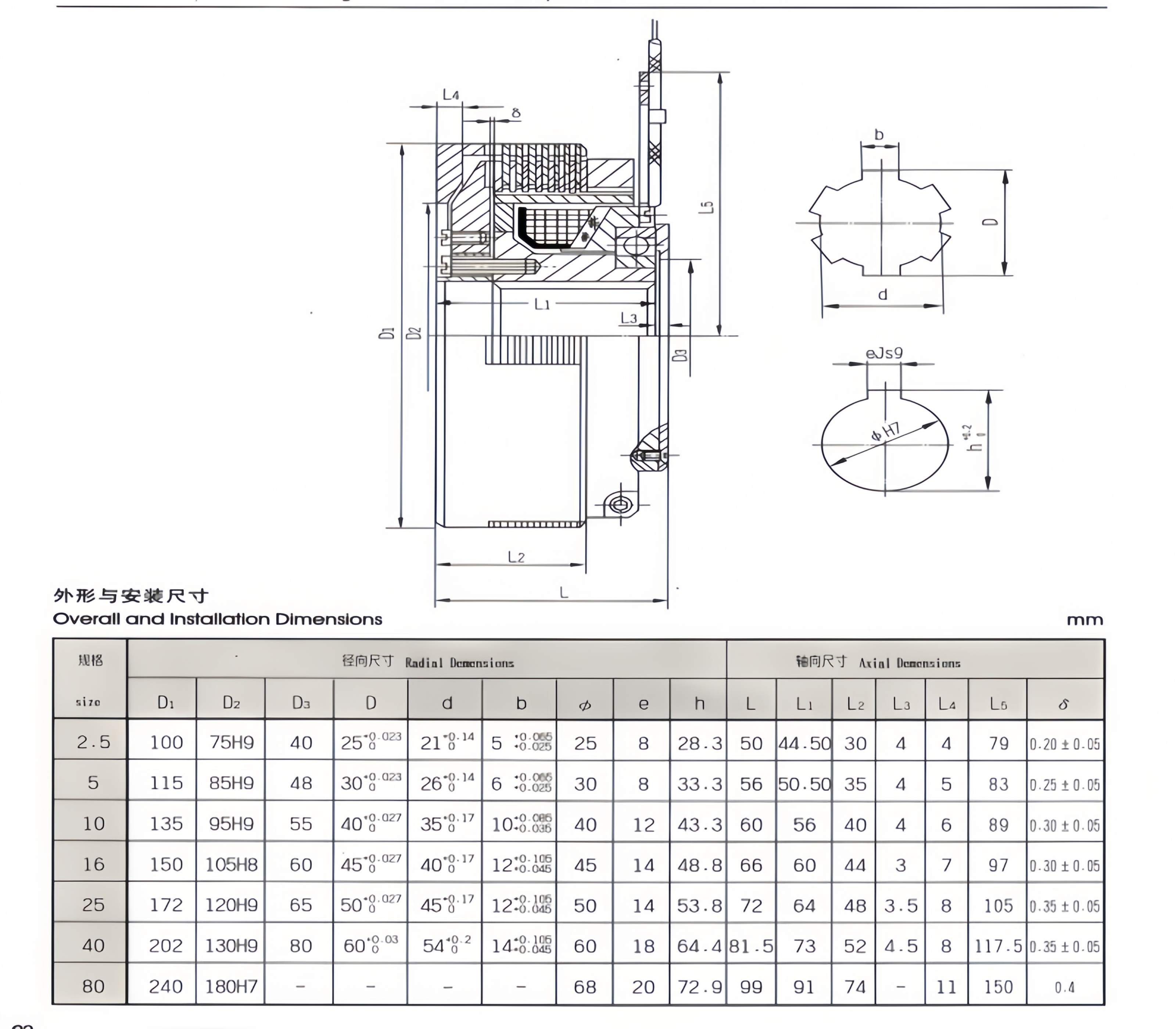
DLK1-10AT 干式多片快速电磁离合器

分享
微信
新浪微博
QQ
QQ空间
豆瓣网
百度贴吧
15821152161
预约订购
产品详情

DLK1-10AT-02.jpgDLK1系列样本01.jpgDLK1系列样本02.jpg

©2025 上海津机电磁离合器销售有限公司 版权所有

沪ICP备09055352号-3